旭彩网10218

JLS3-35油浸式高压计量箱

JLS3-35油浸式高压计量箱

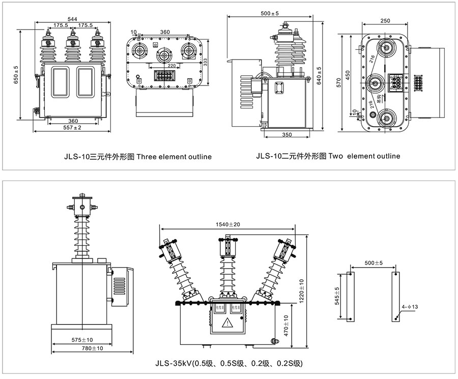
产品概述General高压电力计量箱,不配电度表称组合互感器,交流没浸户外式(也适用于户内),是直接测量高压线路中有功和无功电能的计量设备。适用于额定频率50/60Hz三相交流35KV、10KV、6KV、3KV电力系统网络上。它具有精度高,重量轻,安装方便和防窃电等优点,深受广大供电部门欢迎,对防止窃电,节约能源,加强供电管理具有主要的作用。三相三线计量箱由二只单相电压和电流互感器组成,三相四线
产品价格:
全国服务热线: 150-5897-7878

产品详情

上一篇
JLS-3油浸式高压计量箱
下一篇
JLS3-10油浸式高压计量箱

联系方式