旭彩网10218

LR(D)-10型电流互感器

LR(D)-10型电流互感器

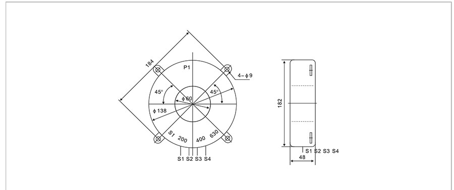
产品概述GeneralLR(D)-10型户外真空专用电流互感器由我公司生产销售。
产品价格:
全国服务热线: 150-5897-7878

产品详情

上一篇
LCWD、LCWD1、LCWQ、LCWQD-35型电流互感器
下一篇
LZW32-10(12)型电流互感器

联系方式